GB-T 70.2 Винты с шестигранной головкой с кнопочной головкой
Продукт: GB-T 70.2 Винты с шестигранной головкой с кнопочной головкой
Класс собственности:4.6,4.8,5.6,5.8,8.8,10.9,12.9,
А2-70, А4-70, А4-80
Отделка: Цинковое покрытие (желтый цинк, цинковый синий, цвет полоскания), черный, фосфат и масло, фосфат цинка, горячее цинкование (HDG), дакромет, геомет
Материал: сталь
Страна экспорта: США, Япония, Австралия, Европа и так далее
Поддержка кастомизации клиента
GB-T 70.2 Винты с шестигранной головкой с кнопочной головкой: особенности, применение и преимущества
Знакомство
ТемGB-T 70.2 Винты с шестигранной головкой с кнопочной головкойЭто точно спроектированные крепежные элементы, разработанные для обеспечения надежного и безопасного крепежного решения для различных промышленных применений. Изготовлено в соответствии сГБ-Т 70.2Стандартные винты имеют кнопкообразную головку с шестигранным торцевым приводом. Эта уникальная конструкция обеспечивает превосходную передачу крутящего момента и компактный профиль, что делает их идеальными для использования в ограниченном пространстве, где традиционные крепежные элементы могут не поместиться. ТемGB-T 70.2 Винты с шестигранной головкой с кнопочной головкойизвестны своей долговечностью, простотой установки и универсальностью во многих секторах.
Живопись
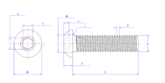
Чертеж изделия
Основные характеристики винтов с шестигранной головкой GB-T 70.2 с шестигранной головкой
Конструкция кнопочной головки для низкого профиля и эстетической привлекательности
ТемGB-T 70.2 Винты с шестигранной головкой с кнопочной головкойИмеют низкопрофильную закругленную головку в форме пуговицы, которая обеспечивает гладкий законченный вид. Эта конструкция идеально подходит для применений, где эстетика имеет значение или когда винт необходимо установить таким образом, чтобы свести к минимуму выступ. Кнопочная головка также снижает риск зацепления или зацепления за окружающие материалы.Шестигранный торцевой привод для надежной затяжки
ТемGB-T 70.2 Винты с шестигранной головкой с кнопочной головкойИспользуйте шестигранный торцевой привод, который обеспечивает точную затяжку с помощью шестигранного ключа или шестигранного ключа. Этот тип привода обеспечивает надежный захват и сводит к минимуму риск зачистки, обеспечивая превосходную передачу крутящего момента по сравнению с другими типами приводов. Он особенно полезен в тех случаях, когда требуется высокий крутящий момент или где пространство для других типов инструментов ограничено.Конструкция из высокопрочного материала
Эти винты изготавливаются из высокопрочных материалов, включая углеродистую сталь, нержавеющую сталь и легированную сталь. ТемGB-T 70.2 Винты с шестигранной головкой с кнопочной головкойОни спроектированы так, чтобы выдерживать высокие растягивающие нагрузки и суровые условия эксплуатации, что делает их идеальными для применений, где долговечность и надежность имеют первостепенное значение. Выбор материала гарантирует, что винты сохранят свою прочность и целостность в течение долгого времени, даже в сложных условиях.Коррозионностойкие покрытия для долговечности
Для увеличения срока службы и устойчивости к факторам окружающей средыGB-T 70.2 Винты с шестигранной головкой с кнопочной головкойчасто покрываются коррозионностойкими покрытиями, такими как цинкование, гальванизация или другие защитные покрытия. Эти покрытия помогают защитить винты от ржавчины, окисления и других форм коррозии, обеспечивая долгосрочную работу, особенно на открытом воздухе или в морских условиях.Прецизионное производство для стабильности и надежности
ТемGB-T 70.2 Винты с шестигранной головкой с кнопочной головкойизготавливаются с точными размерами, что обеспечивает стабильную посадку и надежную работу. Их стандартизированная конструкция обеспечивает простую установку и замену, что делает их незаменимым решением как для новых проектов, так и для работ по техническому обслуживанию. Такой уровень точности снижает риск ошибок при установке и гарантирует оптимальную производительность.
Применение винтов с шестигранной головкой GB-T 70.2 с шестигранной головкой
Электроника и электрооборудование
ТемGB-T 70.2 Винты с шестигранной головкой с кнопочной головкойобычно используются в электронной промышленности, где требуется низкопрофильное и надежное крепление. Эти винты идеально подходят для крепления деталей электронных устройств, включая печатные платы, корпуса и другие компоненты, где пространство ограничено, а точность имеет важное значение.Автомобильная и аэрокосмическая промышленность
В автомобильной и аэрокосмической промышленностиGB-T 70.2 Винты с шестигранной головкой с кнопочной головкойиспользуются для крепления критически важных компонентов, таких как детали двигателя, панели кузова и сборочные приспособления. Прочность, долговечность и низкий профиль этих винтов делают их идеальными для применений, требующих надежного крепления в условиях высоких нагрузок, таких как высокоскоростное оборудование или самолеты.Машины и тяжелое оборудование
GB-T 70.2 Винты с шестигранной головкой с кнопочной головкойтакже используются в машиностроении и тяжелом оборудовании, где требуется высокая прочность и надежное крепление. Эти винты идеально подходят для крепления деталей на промышленных машинах, где распространены вибрация и большие нагрузки. Шестигранный торцевой привод обеспечивает точную затяжку, снижая вероятность ослабления или выхода из строя с течением времени.Мебель и бытовая техника
ТемGB-T 70.2 Винты с шестигранной головкой с кнопочной головкойтакже широко используются в производстве мебели и бытовой техники. Их компактная и низкопрофильная конструкция делает их идеальными для использования при сборке мебели, особенно когда ключевыми факторами являются эстетика и эффективность использования пространства. Эти винты обеспечивают надежное и плотное прилегание к таким деталям, как ножки, рамы и компоненты шкафа.Медицинское оборудование и приборы
В медицинской отрасли точность имеет решающее значение, иGB-T 70.2 Винты с шестигранной головкой с кнопочной головкойПредоставляем надежное решение для крепления медицинского оборудования и приборов. Их высокая прочность, коррозионная стойкость и низкопрофильная конструкция делают их пригодными для использования при сборке хирургических инструментов, диагностического оборудования и других медицинских инструментов, требующих надежных и долговечных креплений.
Преимущества винтов с шестигранной головкой GB-T 70.2 с шестигранной головкой
Компактный и эстетичный дизайн
Головка кнопкиGB-T 70.2 Винты с шестигранной головкой с кнопочной головкойОбеспечивает гладкий, низкопрофильный дизайн, который идеально подходит для применения в условиях ограниченного пространства или там, где требуется гладкий, законченный внешний вид. Такая конструкция сводит к минимуму риск взаимодействия с окружающими компонентами и способствует чистоте, профессиональной отделке.Превосходный крутящий момент и способность к затяжке
Шестигранный дисковод гнездGB-T 70.2 Винты с шестигранной головкой с кнопочной головкойОбеспечивает безопасный и надежный процесс затяжки. Этот тип привода обеспечивает отличную передачу крутящего момента, снижая риск проскальзывания и обеспечивая правильную установку и фиксацию винта.Коррозионная стойкость для долговечности
ТемGB-T 70.2 Винты с шестигранной головкой с кнопочной головкойчасто обрабатываются антикоррозийными покрытиями, что обеспечивает их хорошую работу даже в суровых условиях. Эти покрытия помогают защитить винты от воздействия факторов окружающей среды, таких как влага и химические вещества, и продлить срок службы крепежа, что делает их идеальными для наружного или морского применения.Высокая прочность и долговечность
Изготовленный из высококачественных материалов,GB-T 70.2 Винты с шестигранной головкой с кнопочной головкойрассчитаны на длительный срок службы. Они могут выдерживать высокие растягивающие усилия и устойчивы к деформации, благодаря чему сохраняют свою целостность при больших нагрузках и нагрузках. Эта долговечность делает их пригодными как для сред с низким, так и с высоким уровнем стресса.Простота установки и обслуживания
Шестигранный дисковод с шестигранной головкой обеспечивает простую установку и демонтажGB-T 70.2 Винты с шестигранной головкой с кнопочной головкойс соответствующими инструментами, сокращая время и усилия на монтаж. Прецизионное изготовление гарантирует, что винты идеально и надежно прилегают, обеспечивая беспроблемное крепление.
ТемGB-T 70.2 Винты с шестигранной головкой с кнопочной головкойявляются универсальным и надежным креплением для широкого спектра применений. Их низкопрофильная конструкция кнопочной головки в сочетании с надежным шестигранным торцевым приводом обеспечивает превосходную передачу крутящего момента и простоту установки. Независимо от того, используются ли они в электронике, автомобилестроении, машиностроении, мебели или медицинском оборудовании, эти винты предлагают прочное, эстетичное и эффективное решение для крепления. Их коррозионная стойкость и высокопрочная конструкция обеспечивают длительную работу, что делает ихGB-T 70.2 Винты с шестигранной головкой с кнопочной головкойОтличный выбор для отраслей, требующих точности и надежности.





