DIN 939 Болты двусторонние bm=1,5d
Продукт: Болты с двумя концами DIN 938 bm=1d
Класс недвижимости: 4.6,4.8,5.6,5.8,8.8,10.9,12.9,
А2-70, А4-70,А4-80
Отделка: цинкование (желтый цинк, синий цинк, цвет для полоскания), черный, фосфат и масло, фосфат цинка, горячее цинкование (HDG), Dacromet, Geomet
Материал:Сталь
Страна экспорта: США, Япония, Австралия, Европа и так далее.
Поддержка настройки клиента
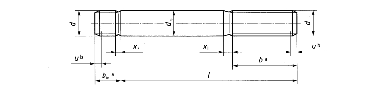
Стандарт DIN 939 — это стандарт болтов с отверстиями, разработанный Немецкой ассоциацией по стандартизации. Он особенно подходит для болтов с отверстиями, длина которых не превышает диаметр в 10 раз. Шпилька bm=1,5d является одной из спецификаций. Шпилька bm=1,5d имеет резьбу на обоих концах и полированный стержень посередине. Этот тип шпильки обычно используется для соединения чугунных и стальных частей. Один тип разъема имеет отверстие с внутренней резьбой, а другой тип разъема имеет сквозное отверстие.
Картинки
Чертеж продукта
Спецификации продукта
Размер |
М3 |
М4 |
М5 |
М6 |
М7 |
М8 |
М10 |
М12 |
М14 |
М16 |
М18 |
М20 |
М22 |
М24 |
М27 |
М30 |
М33 |
М36 |
М39 |
М42 |
М45 |
М48 |
М52 |
|
бм |
3.0 |
4.0 |
5.0 |
6.0 |
7.0 |
8.0 |
10,0 |
12,0 |
14,0 |
16,0 |
18,0 |
20,0 |
22,0 |
24,0 |
25,0 |
30,0 |
32,0 |
35,0 |
38,0 |
42,0 |
45,0 |
48,0 |
52,0 |
|
б |
а |
12 |
14 |
16 |
18 |
20 |
22 |
26 |
30 |
34 |
38 |
42 |
46 |
50 |
54 |
60 |
66 |
72 |
78 |
84 |
90 |
96 |
102 |
110 |
б |
18 |
20 |
22 |
24 |
26 |
28 |
32 |
36 |
40 |
44 |
48 |
52 |
56 |
60 |
66 |
72 |
78 |
84 |
90 |
96 |
102 |
108 |
116 |
|
с |
/ |
/ |
/ |
/ |
/ |
/ |
45 |
49 |
53 |
57 |
61 |
65 |
69 |
73 |
79 |
85 |
91 |
97 |
103 |
109 |
115 |
121 |
129 |
|
дс |
Макс |
3.0 |
4.0 |
5.0 |
6.0 |
7.0 |
8.0 |
10,0 |
12,0 |
14,0 |
16,0 |
18,0 |
20,0 |
22,0 |
24,0 |
27,0 |
30,0 |
33,0 |
36,0 |
39,0 |
42,0 |
45,0 |
48,0 |
52,0 |
мин |
2,86 |
3,82 |
4,82 |
5,82 |
6,78 |
7,78 |
9,78 |
11.73 |
13,73 |
15,73 |
17,73 |
19.67 |
21.67 |
23.67 |
26,67 |
29,67 |
32,61 |
35,61 |
39,61 |
41,61 |
44,61 |
47,61 |
51,54 |
|
х1(д) |
1,25 |
1,75 |
2.0 |
2,5 |
2,5 |
3.2 |
3,8 |
4.3 |
5.0 |
5.0 |
6.3 |
6.3 |
6.3 |
7,5 |
7,5 |
9,0 |
9,0 |
10,0 |
10,0 |
11,0 |
11,0 |
12,5 |
12,5 |
|
х2(д) |
0,7 |
0,7 |
0,9 |
1.0 |
1,25 |
1,6 |
1,9 |
2.2 |
2,5 |
3.2 |
3.2 |
3.2 |
3,8 |
3,8 |
4,5 |
4,5 |
5.0 |
5.0 |
5,5 |
5,5 |
6.3 |
6.3 |
||
Немного информации о нашей компании
Приложение
Наша продукция широко используется в механической, электрической, автомобильной, строительной, железнодорожной, мостовой, пароходной, противопожарной и коммуникационной системах и т. д.
мастерская
Сертификация
Благодаря научному менеджменту компания Jinan Star Fastener Co., Ltd. получила сертификат системы менеджмента качества ISO9001 версии 2015 года. В 2017 году лаборатория прошла национальную сертификацию CNAS. В 2018 году компания прошла европейскую сертификацию CE.
Испытательное оборудование
Наша компания имеет специализированную лабораторию с цифровыми твердомерами, микроскопами, универсальными испытательными машинами, измерителями осевого усилия, приборами для обнаружения водородного охрупчивания, магнитопорошковыми дефектоскопами, металлографическими анализаторами, анализаторами углерода и серы, испытательными машинами для испытания в солевом тумане и т.д. Экспериментальное испытательное оборудование используется для проведения комплексных испытаний химического состава сырья, твердости продукции, механических свойств, толщины покрытия и коррозионной стойкости с целью обеспечения соответствия всей продукции стандартным требованиям и удовлетворения потребностей клиентов.
Производственное оборудование
Наша компания располагает более чем 300 производственным оборудованием. Процесс производства продукции включает в себя: отжиг, дробеструйную обработку, холодную высадку, накатку резьбы, термообработку, цинкование, тестирование готовой продукции, упаковку и т. д. Все это осуществляется на предприятии.
Упаковка
Услуга
1. Мы производим шпильки bm=1,5d, соответствующие стандартам DIN 939, и поставляем продукцию из различных материалов, с различными характеристиками и обработкой поверхности в соответствии с потребностями клиентов.
2. Индивидуальные услуги по упаковке и маркировке. Клиентам, работающим по индивидуальному заказу, необходимы длина, диаметр, материал и т. д. шпилек стандарта DIN 939 bm=1,5d.
3. Помогите клиентам правильно применять болты и помогите клиентам выбрать шпильки стандарта DIN 939 bm=1,5d.
4. Отслеживайте статус заказа, чтобы клиенты понимали ход выполнения заказа.
Часто задаваемые вопросы
1.Какие материалы вы можете производить для шпилек стандарта DIN 939 bm=1,5d?
Сталь, нержавеющая сталь и т. д. — вы можете сообщить нашему отделу продаж о ваших потребностях и применимых сценариях. Мы ответим на ваши вопросы о влиянии выбора материала на характеристики болта, такие как прочность, коррозионная стойкость и т. д.
2. Я еще не уверен, какие характеристики мне подходят. Можете ли вы помочь?
Разумеется, мы предоставим подробные спецификации или руководства по выбору, которые помогут вам выбрать подходящие шпильки стандарта DIN 939 bm=1,5d в соответствии с вашими потребностями.
3. Как установить?
Мы предоставляем инструкции по установке или видеоуроки, чтобы обеспечить правильную установку болтов.













