ASME B18.5.2.2M Болты с круглой головкой и квадратной шейкой
Продукт: Болты с круглой головкой и квадратной шейкой ASME B18.5.2.2M
Класс недвижимости: 4.6,4.8,5.6,5.8,8.8,10.9,12.9,
А2-70, А4-70,А4-80
Отделка: цинкование (желтый цинк, синий цинк, цвет для полоскания), черный, фосфат и масло, фосфат цинка, горячее цинкование (HDG), Dacromet, Geomet
Материал:Сталь
Страна экспорта: США, Япония, Австралия, Европа и так далее.
Поддержка настройки клиента
Болт ASME B18.5.2.2M с метрической круглой головкой и квадратной шейкой — это крепеж со специальными спецификациями и стандартами, который соответствует стандарту ASME B18.5.2.2M, который является международным стандартом для метрических болтов с квадратной головкой и круглой головкой. Болт ASME B18.5.2.2M с метрической круглой головкой и квадратной шейкой имеет круглую головку и подходит для применений, требующих гладкую поверхность. Болт ASME B18.5.2.2M с метрической круглой головкой и квадратной шейкой имеет конструкцию с квадратной шейкой, которая помогает предотвратить поворот болта во время затяжки. Размер и характеристики болта основаны на метрических единицах измерения, таких как диаметр, длина, шаг и т. д. Болт ASME B18.5.2.2M с метрической круглой головкой и квадратной шейкой обычно используется для соединения двух объектов и затягивается с помощью орех.
Картинки
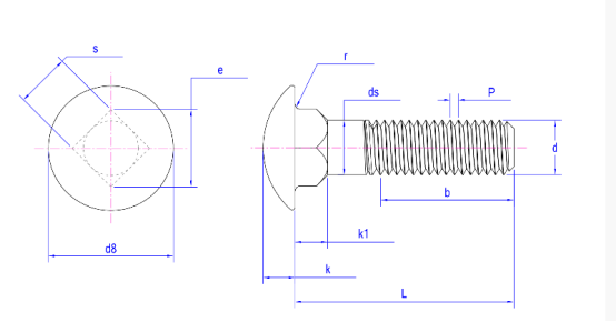
Чертеж продукта
Спецификации продукта
Размер |
М5 |
М6 |
М8 |
М10 |
М12 |
М14 |
М16 |
М20 |
М24 |
|
п |
0,8 |
1 |
1,25 |
1,5 |
1,75 |
2 |
2 |
2,5 |
3 |
|
дс |
Макс |
5.48 |
6.48 |
8.58 |
10.58 |
12,7 |
14,7 |
16,7 |
20.84 |
24.84 |
мин |
4.52 |
5.52 |
7.42 |
9.42 |
11.3 |
13.3 |
15.3 |
19.16 |
23.16 |
|
к |
Макс |
3.1 |
3.6 |
4,8 |
5,8 |
6,8 |
7,9 |
8,9 |
10,9 |
13.1 |
мин |
2,5 |
3 |
4 |
5 |
6 |
7 |
8 |
10 |
12 |
|
дк(макс) |
11,8 |
14.2 |
18 |
22,3 |
26,6 |
30,5 |
35 |
43 |
51 |
|
к1 |
Макс |
3.1 |
3.6 |
4,8 |
5,8 |
6,8 |
7,9 |
8,9 |
10,9 |
13.1 |
мин |
2,5 |
3 |
4 |
5 |
6 |
7 |
8 |
10 |
12 |
|
с |
Макс |
5.48 |
6.48 |
8.58 |
10.58 |
12,7 |
14,7 |
16,7 |
20.84 |
24.84 |
мин |
4,88 |
5,88 |
7,85 |
9,85 |
11.82 |
13.82 |
15.82 |
19.79 |
23,79 |
|
е |
Макс |
7,75 |
9.16 |
12.13 |
14.96 |
17.96 |
20.79 |
23.62 |
29.47 |
35.13 |
мин |
6.34 |
7,64 |
10.2 |
12,8 |
15.37 |
17.97 |
20.57 |
25,73 |
30.93 |
|
р |
Макс |
0,4 |
0,5 |
0,8 |
0,8 |
0,8 |
1.2 |
1.2 |
1,6 |
1,6 |
мин |
0,2 |
0,2 |
0,4 |
0,4 |
0,4 |
0,6 |
0,6 |
0,8 |
0,8 |
|
Поддержка настройки клиента |
||||||||||
Немного информации о нашей компании
Приложение
Компания Jinan Star специализируется на производстве крепежной продукции. Наши болты, гайки и другая продукция широко используются в машиностроении, железных дорогах, автомобилях, строительстве, электротехнике, мостах, связи, пожаротушении и других отраслях.
мастерская
Мастерская Jinan Star Fastener Co., Ltd. является основным направлением производства компании и оснащена современным производственным оборудованием. Продуманная планировка цеха и научный производственный процесс обеспечивают эффективное производство и качественный выпуск крепежной продукции.
Сертификация
Компания Jinan Star Fastener Co., Ltd. получила сертификат системы менеджмента качества ISO9001 версии 2015 года благодаря научному руководству руководителей различных отделов и стремлению к высокому качеству болтов и других крепежных изделий. Кроме того, лаборатория, принадлежащая Star Company, получила сертификацию в 2017 году. В 2018 году она прошла национальную сертификацию CNAS, а в 2018 году компания прошла европейскую сертификацию CE.
Испытательное оборудование
Компания Jinan Star Fastener придает большое значение качеству продукции и оснащена полным оборудованием для контроля качества, таким как машины для испытаний на растяжение, измерители крутящего момента, металлографические микроскопы, оптические проекторы, камеры для испытаний в солевом тумане, толщиномеры покрытий и т. д., которые используются для проверки качества продукции. испытывать прочность на разрыв и относительное удлинение крепежных изделий и оценивать механические свойства изделий. Это оборудование гарантирует, что качество каждого звена от сырья до готовой продукции может строго контролироваться.
Производственное оборудование
Чтобы удовлетворить потребности различных клиентов, компания представила ряд передового производственного оборудования, такого как многостанционные машины холодной высадки, оборудование для накатки резьбы, оборудование для термообработки, дробеструйные машины, пескоструйные машины, гальванические линии и другое. оборудование для обработки поверхности и полностью автоматическое упаковочное оборудование. Это оборудование не только повышает эффективность производства, но также обеспечивает стабильность и стабильность качества продукции.
Упаковка
Услуга
1. Профессиональный производитель: все наши крепежные детали разработаны и изготовлены в соответствии со спецификациями и характеристиками покупателей.
2. Обеспечение качества: испытания на долговечность и разработка ключевых технологий для увеличения срока службы крепежных изделий.
3. Экономичность: широкий выбор деталей, поставляемых профессиональными заводами, по конкурентоспособным ценам.
4. Настройте идеальные крепежные детали: настройте услуги на основе предоставленных образцов и чертежей.
5. 60-летний опыт Идеальное крепежное решение для решения ваших проблем: Широкий выбор деталей.
Часто задаваемые вопросы
1. О времени доставки
В: Сколько времени занимает ваша доставка?
О: Время доставки зависит от количества заказанной вами продукции, сложности ваших требований к настройке и текущего статуса заказа. Вообще говоря, мы сделаем все возможное, чтобы завершить производство и доставку в сроки, согласованные обеими сторонами. Если есть особые потребности, мы проконсультируемся с вами и постараемся удовлетворить их.
2. Что касается вопроса цены
В: Какова цена вашей продукции?
Ответ: Цены на нашу продукцию определяются на основе материалов, технологии, количества, рыночных условий и других факторов. Мы предоставим вам разумное предложение, основанное на ваших конкретных потребностях. В то же время мы также предоставляем различные льготные политики и гибкие способы оплаты для удовлетворения ваших различных потребностей.













